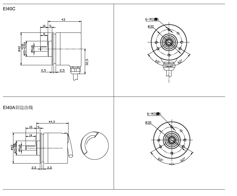
宜科ELCO编码器EI40A6-L6AR-2048

NBB0,6-3M22-E2
  • 价格:面议
  • 类型:实心轴编码器
  • 品牌:宜科Elco
  • 系列:EI40A

产品描述:宜科ELCO编码器EI40A6-L6AR-2048

安装使用及注意事项:

▲ 请留意在用手拿取电缆线末端出蕊线时,请先排除体内静电.

▲ 用焊锡焊接以及相关电动工具安装时,请务必将安装工具连接于接地线.

▲ 电缆线配管时,请勿和动力配线及噪声多之管线一同收纳.

▲ 编码器之传输距离会随着出力回路以及应答周波数不同变化.信号异常时多留意.信号传输距离较长时,推荐使用线性出力型编码器.

▲ 安装时请注意编码器之供应电源之电压值以及正负极有无接错,接错时,容易导致编码器短路.